我公司承擔的邵陽、鳳凰、瀏陽、汨羅等縣高標準農田建設項目新增糧食產能指標進展順利
發布時間:2024-12-31 15:23:31
中緯
176
領取優惠
高標準農田建設項目堅持田、土、水、路、林、電、技、管綜合治理,實現經濟、社會、生態效益的統一。重點在灌溉與排水、田間道路、土地平整、土壤改良、科技服務、農田防護與生態環境保持、農田輸配電、建后管護等方面的建設投入,提高耕地地力和質量,從而有效提高項目區內耕地質量等別。高標準農田建設項目在實施完工后,自然資源部門可主動銜接農業農村部門,完成高標準農田建設項目新增糧食產能指標的確認和指標入庫工作。

領取優惠
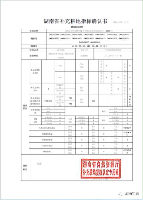
我公司先后承擔了邵陽縣、鳳凰縣、瀏陽市、汨羅市等多個地區高標準農田建設項目新增糧食產能指標。為加快推進項目進展,我公司積極與各項目縣市職能部門和省自然資源廳溝通銜接,加強項目政策研究和技術難點攻關。近期,我公司承擔的多個縣高標準農田建設項目新增糧食產能指標進展順利,其中鳳凰縣、邵陽縣等地區高標準農田建設項目已拿到湖南省補充耕地指標確認書,并且部分項目已通過全國占補平衡動態監管,指標已入庫。目前瀏陽市的高標準農田建設項目新增糧食產能指標工作正在如火如荼的進行。

領取優惠
通過公司不斷探索和研究,已鉆研透徹項目政策方針和實施流程,已攻克項目技術難點,儲備了技術人才和團隊,我公司將進一步加強項目推進力度,盡快將承擔地區的高標準農田建設項目糧食產能指標報備入庫。
